Горелка трубчатой печи ГТП-4КП
Горелка разработана по инициативе и при участии ОАО «Алтай-Кокс» для отопления трубчатых печей, предназначенных для тепловой переработки жидких углеводов.
Техническая характеристика горелки:
- расход газа максимальный – 150 м3/ч;
- давление газа – 2,3 кПа;
- коэффициент регулирования – 3,3.
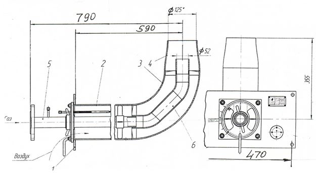
Особенностью горелки является выполнение её корпуса и газовой части с поворотом на 90°. Это вызвано необходимостью установки горелки на боковой стенке печи с направлением факела вертикально вверх вдоль поверхностей нагрева.
Воздушный корпус на входном патрубке имеет регулирующий лепестковый шибер для изменения расхода воздуха, подсасываемого в горелку за счет разрежения в топочном объеме.
Корпус, поворотное колено и выходной насадок выполнены жаростойкими.
1 – монтажный фланец; 2 – ствол, 3 – колено; 4 – насадок; 5 – газовая часть
← Назад в раздел


