Горелки ГНП (модернизированные)
Горелки предназначены для сжигания природного газа и являются модернизированным вариантом широко распространенных устройств типа ГНП (разработка Теплопроекта).
Все основные габаритные и присоединительные размеры, а также площади проходных сечений оставлены без изменений. Тепловая мощность горелочного ряда из восьми горелок составляет от 0,13 до 2,5 МВт.
| Наименование параметра, размерность | Типоразмер | |||||||||
| 2 | 3 | 4 | 5 | 6 | 7 | 8 | 9 | |||
| Номинальная тепловая мощность, МВт | 0,13 | 0,247 | 0,346 | 0,643 | 0,99 | 1,48 | 1,98 | 2,47 | ||
| Расход газа, м3/ч | 13 | 25 | 35 | 65 | 100 | 150 | 200 | 250 | ||
| Диаметр выходного отверстия горелки (D), мм | 33 | 46 | 54 | 73 | 90 | 110 | 128 | 142 | ||
| Диаметр туннеля горелочного камня (Dт), мм | 83 | 116 | 140 | 185 | 230 | 280 | 320 | 360 | ||
| - D1, мм; | 41 | 68 | 80 | 106 | 131 | 151 | 175 | 188 | ||
| - D2, мм; | 3/4 " | 1" | 1" | 1¼ " | 1 ½" | 2 " | 2 ½" | 2 ½" | ||
| - L, мм | 205 | 260 | 300 | 360 | 397 | 453 | 515 | 568 | ||
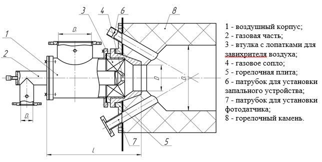
Горелки выполняются в сварном исполнении со съемными газовыми соплами и взаимозаменяемы с устройствами старого типа. Особенностью горелок является выполнение съёмного завихрителя воздуха с углом поворота лопаток 30-60ºС и не связанного с газовым соплом. Завихритель выполнен в виде отдельной втулки с радиальными лопатками, установленной между корпусом и его выходным насадком. На монтажной плите предусмотрены патрубки для установки запального устройства и фотодатчика.
Горелки могут быть поставлены в комплекте с запальными устройствами, датчиками контроля пламени и горелочными камнями.
← Назад в раздел


